Коловратный насос. Применение. Характеристики. Виды.

Коловратный насос – это разновидность объемных роторных насосов, которая предназначается для подачи различных жидкостей и пастообразных смесей, включая химически-активные, обладающих высокой вязкостью, не содержащих абразивных веществ, не обладающих смазывающей способностью и температурой до +80 оС.


Коловратные насосы также называют кулачковыми насосами. Всё дело здесь в конструктивных особенностях и этих насосов. Принцип работы коловратного насоса основывается на вытеснении жидкости из корпуса насоса при помощи рабочего органа – кулачкового ротора. При этом, сам ротор может иметь различную форму и количество рабочих валов (рисунок 1). На территории нашей страны наибольшее распространение получили двухкулачковые коловратные насосы.


Форма роторов коловратных насосов

Рисунок 1. Форма роторов коловратных насосов.


Насосы коловратного типа нашли свое применение в химической и нефтеперерабатывающей промышленности. Также распространены насосы с приводом от тракторного вала отбора мощности, что позволяет использовать эти насосы на открытых пространствах практически для любых целей.

Прямым конкурентом коловратных насосов являются шестеренные насосы. Они способны выполнять те же функции и перекачивать те же жидкости, что и кулачковые. Однако, главным отличием коловратных насосов является то, что на обоих роторах (ведущем и ведомом) такого насоса содержится от одного до четырёх зубьев специальной формы, причем они не несут нагрузки, связанной с передачей крутящего момента. Здесь, силовую нагрузку крутящего момента передают синхронизирующие шестерни. Как следствие, насосное оборудование коловратного типа имеет большой срок безаварийной эксплуатации.


Перемещение жидких сред осуществляется путем периодического изменения объема, т.е. перекачиваемая жидкость, при вращении роторов, захватывается кулачками и перемещается из всасывающей полости в нагнетательную.


В стационарных коловратных насосах отечественного производства, в зависимости от марки и условий эксплуатации, применяются либо электродвигатели общепромышленного назначения серии АИР, либо их взрывозащищенные аналоги серии АИМ или ВА.

Многие современные кулачковые насосы комплектуются камерами обогрева жидкости, а также предохранительными клапанами (при этом, давление полного перепуска составляет не более полуторного значения стандартного рабочего давления), что в разы улучшает эксплуатационные свойства и увеличивает срок службы насоса. Некоторые насосы, для целей снижения числа оборотов электродвигателя, оборудованы редукторным механизмом.


Самыми известными и распространенными насосами коловратного типа являются насосы серий КВ и НКФ. Рассмотрим их более подробно.


- Химические коловратные насосы серии КВ предназначаются для перекачивания высоковязких жидкостей (таких как, мазут, вязкая нефть, масло, прядильные растворы), в том числе агрессивных, не обладающих смазывающими свойствами, вязкостью от 0,005 до 0,05 м2/с и температурой до 80°С.


Коловратный насос КВ

Рисунок 2. Коловратный насос КВ.


Насосы серии КВ могут комплектоваться редуктором или вариатором для возможности изменения и регулирования и изменения числа оборотов двигателя. Под заказ, возможно изготовление таких насосов по д особые пределы вязкости и рабочую температуру перекачиваемой жидкости.


Габаритные размеры насосного агрегата КВ

Рисунок 3. Габаритные размеры коловратного насоса КВ.


Данные насосы предназначены только для химической и нефтехимической промышленности. Для перекачивания продуктов питания (тесто, фарш, мёд, крем, и т.д.) в пищевой промышленности они не подходят.


Проточная часть насосов коловратных КВ, как и большинства других, изготавливается из нержавеющей молибденистой стали (сталь Е) или бронзы. Уплотнение – торцевое.


- Фланцевый коловратный насос НКФ-54 – особый тип насоса, который предназначается для установки на транспортные средства, такие как, грузовой автомобиль или трактор, оборудованные валом или коробкой отбора мощности, которые и служат приводом для насоса.


Коловратный насос НКФ-54

Рисунок 4.Коловратный насос НКФ-54.


Таким образом, НКФ-54 – это навесной насос, который может быть снят с транспортного средства, когда это необходимо, а по потребности, смонтирован обратно для выполнения таких задач, как пожаротушение, дренаж, орошение. Воду при этом, можно брать даже из открытых водоемов, что многократно увеличивает функциональную область применения коловратного насоса.


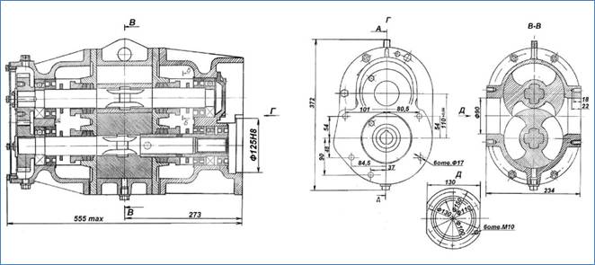
Габаритные размеры коловратного насоса НКФ-54

Рисунок 5. Габаритные размеры коловратного насоса НКФ-54.


Как правило, данные насосы распространены в сельском хозяйстве и в сфере ЖКХ, а область работ, проводимых с их помощью, включает:


а) подачу воды даже с содержанием твердых механических примесей из открытых водоемов (реки, озера, пруды, болота, технические котлованы) для орошения, удобрения или внесения ядохимикатов.


б) откачку воды из любых емкостей, включая цистерны, дренаж затопленных сооружений, котлованов, подвалов многоквартирных домов.


Следует учитывать, что, для НКФ-54, механические примеси в перекачиваемой жидкости не должны быть больше 0,2% по весу, а размер твердых механических засорителей не должен превышать 0,2мм.