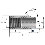
БП1-М20х1,5-55-09Г2С-УХЛ1 бобышка приварная

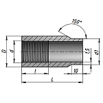
БП1-М20х1,5-55-09Г2С-УХЛ1 бобышка приварная
Цена с НДС
719.80
Нет в наличии *
* Доступное количество нужно уточнять при заказе
0
Ожидание информации
Описание

Товары, продаваемые совместно