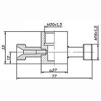
ИВГ-1Н-В-И-Д1-М20х1,5 измеритель микровлажности газов

ИВГ-1Н-В-И-Д1-М20х1,5 измеритель микровлажности газов
Артикул: 5456
ИВГ-1Н-В-И-Д1-М20х1,5 измеритель микровлажности газов, Изображение №1
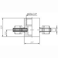
ИВГ-1 Н-Д1-ПС-М20x1,5 измеритель микровлажности газов
Цена с НДС
55 754.00
Нет в наличии *
* Доступное количество нужно уточнять при заказе
0
Ожидание информации
Описание

Товары, продаваемые совместно